医用高压氧舱玻璃转子流量计
医用高压氧舱玻璃转子流量计 是与医疗器高压氧舱配套的氧气流量调节监测仪表,它可与各种规格的医用高压氧舱配套,用来测量非脉动的氧气流量。 1. 型号规格及主要技术参数
医用高压氧舱玻璃转子流量计 是与医疗器高压氧舱配套的氧气流量调节监测仪表,它可与各种规格的医用高压氧舱配套,用来测量非脉动的氧气流量。
1. 型号规格及主要技术参数
公称通径 DN mm
型号
测量流体
范围度
测量范围 L/h
0.3MPa,20 ℃
准确度等级
允许被测流体状况
温度 ℃
压力 MPa
6
DK800-6
O 2
10:1
100 ~ 1000
2.5
-20 ~ 60
≤ 1.6
10
LZJ-10
≤ 1.0
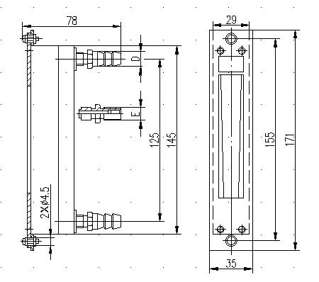
2. 外形及安装连接尺寸